ДЗ-1
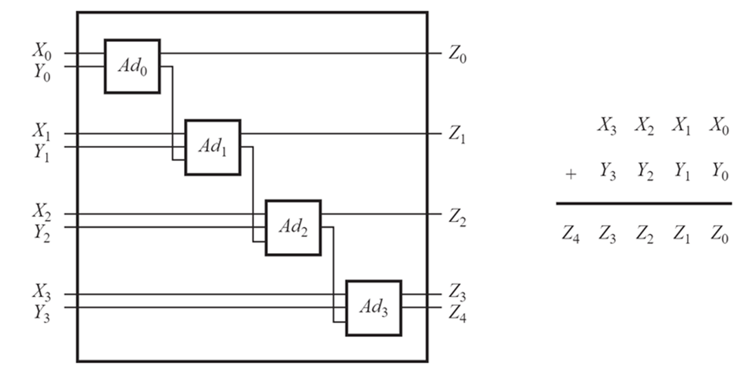
1. Закодируйте описание
четырехбитного сумматора на рисунке и составьте запросы,
необходимые для проверки того, что это описание действительно правильно.

Последнее изменение: Вторник, 14 октября 2025, 18:33
Напечатать
Распечатано: Гость 22.10.2025